Fotowoltaika

Instalacja fotowoltaiczna jest źródłem czystej energii elektrycznej pozyskiwanej bezpośrednio z promieniowania słonecznego. Fotowoltaika to nie tylko świadome działanie na rzecz ekologii, ale także rozsądna inwestycja finansowa. Większa liczba rozproszonych producentów energii to zapowiedź wymiernych korzyści również dla konsumenta- stabilizacji cen, podniesienia konkurencyjność i ograniczenia strat związanych z odległym przesyłem.
Dlaczego fotowoltaika?
Instalacje fotowoltaiczne mogą być wykonywane zarówno w małej jak i dużej skali nie tracąc swoich podstawowych zalet: stabilnej rocznej produkcji energii, łatwej integracji z budynkami, wysokiej trwałości i prostoty użytkowania. Przewagą fotowoltaiki nad pozostałymi źródłami zielonej energii jest krótki czas realizacji inwestycji, łatwość rozbudowy i niemal liniowa zależność ceny od wielkości instalacji (2 x mniejsza = 2 x tańsza).
System fotowoltaiczny?
Typowy producencki system fotowoltaiczny składa się z dwóch podstawowych elementów – generatora fotowoltaicznego i falownika. W generatorze energia promieniowania słonecznego jest transformowana na energię elektryczną, której falownik nadaje parametry zgodne ze standardami sieci elektroenergetycznej. Energia taka może być odsprzedawana Zakładowi Energetycznemu, zużywana na miejscu lub magazynowana np. w akumulatorach.
Fotowoltaika – to się opłaca!
Podsumowując – fotowoltaika to czysta energia, perspektywiczna inwestycja, prosta kalkulacja przychodów, a także trwałość, elastyczność i innowacyjność, innymi słowy – bezpieczna lokata kapitału. Szczególnie korzystne warunki rysują się przed niewielkimi producentami planującymi inwestycję w przydomowe mikroelektrownie fotowoltaiczne. To przede wszystkim z myślą o nich planowany jest krajowy system wsparcia finansowego i administracyjnego.

Fotowoltaika jest pojęciem znacznie pojemniejszym niż bywa to przedstawiane w kontekście komercyjnej energetyki słonecznej. Przede wszystkim mamy do czynienia z dziedziną nauki badającą procesy przemiany energii promieniowania elektromagnetycznego na energię cząstek obdarzonych ładunkiem elektrycznym (np. elektronów lub jonów). Fotowoltaika nieco bardziej potocznie to także dział techniki opracowujący i udoskonalający procesy produkcyjne generatorów fotowoltaicznych. Fotowoltaiką jest nazywany również cały sektor energetyki odnawialnej wykorzystujący promieniowanie słoneczne jako pierwotne źródło energii.
Efekt fotowoltaiczny
Efekt fotowoltaiczny polega na powstaniu w danym ośrodku (materiale) siły elektromotorycznej w wyniku absorpcji promieniowania świetlnego. Innymi słowy oświetlony materiał zostaje wytrącony ze stanu równowagi – ładunki elektryczne (elektrony, jony) przemieszczają się w jego wnętrzu tworząc obszar o wyższym i niższym potencjale elektrycznym. Materiał jednak “chce” powrócić do naturalnego stanu równowagi w procesie odwrotnego przepływu ładunków. Jeśli umożliwi się to poprzez elektryczne połączenie obu obszarów, w powstałym obwodzie popłynie prąd. Jeśli materiał jest oświetlany w sposób ciągły, stan nierównowagi będzie podtrzymywany, a tym samym podtrzymywany będzie przepływ ładunku.

Energia słoneczna
Promieniowanie słoneczne stanowi strumień fal emitowanych z powierzchni Słońca we wszystkich kierunkach. Niewielki jego wycinek dociera poprzez atmosferę do powierzchni ziemi. Im dłuższa droga światła w atmosferze tym więcej energii ulega w niej absorpcji lub rozproszeniu. Kiedy Słońce góruje nisko nad horyzontem np. w godzinach porannych i wieczornych, a także w zimie, droga się wydłuża – mniej ciepła i światła dociera do powierzchni ziemi. Ta prosta zależność wyjaśnia jak okresowo zmieniają się zasoby energii, które mogą być wykorzystane w procesie konwersji fotowoltaicznej.

Do konwersji energii promieniowania słonecznego na energię elektryczną dochodzi jedynie w materiałach o odpowiednich właściwościach fizycznych nazywanych absorberami fotowoltaicznymi. Najczęściej spotykanymi absorberami są kryształy półprzewodnika np. krzemu, ale zdarzają się również rozwiązania z absorberem ciekłym lub żelowym (organicznym i nieorganicznym). Częstym nieporozumieniem jest utożsamianie ogniwa fotowoltaicznego i absorbera. Ogniwo fotowoltaiczne jest już gotowym mikrogeneratorem mogącym zasilać niewielkie odbiorniki (kalkulatory, diody led itp.). Można zatem powiedzieć, że ogniwo jest skończonym urządzeniem, na które składa się absorber , ale również warstwy izolacyjne, warstwy poprawiające własności optyczne, warstwy zapewniające dobry kontakt z przewodnikiem, warstwy przewodzące, a także elektrody. Połączone ze sobą elektrycznie i zabezpieczone przed warunkami zewnętrznymi ogniwa nazywane są modułami fotowoltaicznymi. To właśnie moduły fotowoltaiczne, zwane również panelami fotowoltaicznymi, stanowią urządzenia bazowe, z których budowany jest generator fotowoltaiczny o określonych parametrach elektrycznych.
Generator fotowoltaiczny stanowi źródło energii elektrycznej. W pewnym uproszczeniu przyjmuje się, że jest to źródło prądu stałego, nie jest to jednak stwierdzenie całkowicie prawdziwe ze względu na zmieniające sie stale warunki nasłonecznienia. Faktem jest, że w oświetlonym ogniwie (module) zwrot i tym samym kierunek przepływu prądu jest zachowany, zmieniają się jednak chwilowe wartości natężenia i napięcia. Dosłownie zatem generator fotowoltaiczny należy traktować źródło prądu okresowo zmiennego lub upraszczając – niestabilne źródło prądu stałego. Skala fluktuacji parametrów elektrycznych generatora fotowoltaicznego zależy silnie od chwilowej wartości natężenia promieniowania słonecznego (natężenie) i temperatury ogniw (napięcie).
Zasilanie odbiorników elektrycznych energią pochodzącą z konwersji fotowoltaicznej w sposób zapewniający ich ciągłą i bezpieczną pracę odbywa się poprzez energoelektroniczny układ stabilizujący złożony z przetwornicy i zasobnika energii. Zadaniem przetwornicy jest dopasowanie się do parametrów zasilania odbiornika, a zasobnika zagwarantowanie rezerwy energetycznej niwelującej wpływ okresowych zmian nasłonecznienia. Generator fotowoltaiczny wraz z przetwornicą lub zespołem przetwornic oraz zasobnikiem energii tworzą tzw. system fotowoltaiczny.
Instalacje fotowoltaiczne zwyczajowo dzielone są na stało i zmiennoprądowe oraz autonomiczne (samodzielne) i przyłączone do sieci. W przypadku autonomicznych systemów stałoprądowych przetwornica DC/DC zwana regulatorem ładowania, koordynuje pracę miedzy zasobnikiem (typowo baterią akumulatorów) i obciążeniem (odbiornikami), tak aby zapewnić możliwie niewielkie straty mocy. W autonomicznych systemach zmiennoprądowych pojawia się druga przetwornica (lub urządzenie z dwoma blokami) DC/AC, która transformuje prąd stały na przemienny o zadanej charakterystyce (najczęściej sieciowej). W systemach przyłączonych do sieci prąd stały z generatora fotowoltaicznego przetwarzany jest przez specjalny falownik na prąd przemienny o parametrach wysoce zgodnych z siecią, która pełni rolę swoistego zasobnika – odbierając energię z systemu fotowoltaicznego i dostarczając ją do miejsca poboru.
Poniżej zestawiono najbardziej istotne wskazówki dla osób zainteresowanych systemami fotowoltaicznymi. Przygotowaliśmy również autorski program szkolenia z fotowoltaiki dla instalatorów, który wyjaśnia i poszerza zagadnienia poruszane w Centrum Wiedzy.
1. Planując instalację fotowoltaiczną można oszacować moc nominalną typowego generatora fotowoltaicznego przyjmując 140-160 wat na metr kwadratowy jego powierzchni. Zatem moc nominalna generatora o powierzchni 40 m2 wyniesie około 5,6-6,4 kWp.
2. Najbardziej korzystne ustawienie generatora fotowoltaicznego w warunkach Polskich to płaszczyzna wystawiona na południe (+/- 6 stopni) pod kątem 30-38 stopni względem gruntu.
3. Energia wyprodukowana przez system pv z generatorem ustawionym płasko jest o 15% niższa niż w przypadku generator ustawionego pod kątem 30-38 stopni. Jeśli generator ustawiony jest na południe pionowo względem gruntu straty wyniosą ok. 30%. Odchylenia dowolnie pochylonego generator na wschód lub zachód spowoduje większe straty energii.
4. Systemy fotowoltaiczne z optymalnie ustawionym generatorem pv produkują w Polskich warunkach nasłonecznienia około 900-1000kWh/kWp energii rocznie. Oznacza to, że system z generatorem o mocy nominalnej (szczytowej) 1 kilowata wygeneruje około 950 kilowatogodzin energii w ciągu jednego typowego roku.
5. Jeśli kluczowa jest jak najwyższa produkcja energii w zimie, wskazane jest aby generator pv pochylony był względem gruntu pod kątem 60-80 stopni (lepsze dopasowanie do Słońca nisko nad horyzontem).
6. Moc nominalna (szczytowa) modułu fotowoltaicznego podawana w Wp (ang. Watt peak) nie ma rzeczywistego przełożenia na moc chwilową modułu. Do obliczeń parametrów elektrycznych


Na jakość systemów fotowoltaicznych składa się jakość zastosowanych komponentów, fachowość montażu i odpowiednie wsparcie projektowe. Energetyka słoneczna to inwestycja na lata, dlatego uznaliśmy, że naszym priorytetem jest dostarczenie produktu bezpiecznego i trwałego, który spełni oczekiwania wymagającego klienta. Nasze rozwiązania opieramy na wiedzy i doświadczeniu największych rynków fotowoltaicznych oraz na wskazaniach dobrej praktyki montażowo-projektowej.
Nasze systemy fotowoltaiczne to sprawdzone moduły i falowniki pv, dedykowane okablowanie, konstrukcje nośne o gwarantowanej trwałości, zabezpieczenia przepięciowe i przetężeniowe strony DC i AC, instalacje odgromowe i wyrównawcze, systemy zdalnego nadzoru pracy, a także systemy ochrony przeciwpożarowej. Wszystko w celu zapewnienia produktu wydajnego, niezawodnego i bezobsługowego.

Moduły z naszej oferty posiadają certyfikaty TUV, spełniają także międzynarodowe standardy w zakresie staranności wykonania i bezpieczeństwa IEC 61215, IEC 61730. Na życzenie klienta przeprowadzamy testy termowizyjne, elektroluminescencyjne, błyskowe, a także badamy szczelność i odporność na warunki pogodowe wybranych serii modułów. Wszystkie moduły objęte są minimum 10 letnią gwarancją trwałości produktu i 20 letnią gwarancją zachowania minimum 80% wydajności.
Falowniki w naszej ofercie mogą być bez dodatkowych badań przyłączane do sieci dystrybucyjnych. Wraz z dokumentacją produktu dostarczamy certyfikaty zgodności z polskimi normami w zakresie kompatybilności elektromagnetycznej i bezpieczeństwa. Oferujemy również elastyczne warunki gwarancyjne w postaci pięcioletniej gwarancji podstawowej z możliwością przedłużenia nawet na 25 lat.
JAK ZABEZPIECZYĆ SIĘ PRZED BŁĘDAMI W INSTALACJI FOTOWOLTAICZNEJ
Inwestor budujący instalację fotowoltaiczną zbyt często koncentruje się na minimalizacji kosztu początkowego inwestycji. Tymczasem niska jakość instalacji powoduje dotkliwe konsekwencje, pomniejszające zysk z inwestycji:
- niższą od zakładanej produkcję energii,
- dodatkowe, nieuwzględnione w analizie ekonomicznej koszty serwisowe,
- zagrożenia dla budynku i mieszkańców.
1. NAJCZĘŚCIEJ POPEŁNIANE BŁĘDY W PROJEKCIE I MONTAŻU
Krzysztof Czermak posiada wieloletnią praktykę przy instalacjach fotowoltaicznych w Niemczech i jest cenionym wykładowcą. Wykonał oceny wielu instalacji wykonanych w ostatnich latach w Polsce. Poniżej przedstawiamy jego wypowiedź opisującą najpoważniejsze błędy w zakresie projektowania i wykonawstwa.
Brak analizy zacienienia i uwzględniania położenia poszczególnych grup modułów w różnych kierunkach.
Mówienie o katastrofalnym wpływie, nawet odrobinę zacienionego modułu na pracę całego obwodu, przypominanie o braku uzasadnienia dla montażu modułów tuż za przysłowiowym kominem, jest jak wołanie na puszczy. W większości zrealizowanych, jak i przygotowywanych obecnie przetargach, aspekt analizy zacienienia był tak naprawdę pomijany. Chwilowe obniżenie ceny instalacji, spowodowane brakiem kosztów za takie opracowanie, naraża zamawiającego na duże straty w późniejszym czasie działania instalacji. Aby wyeliminować takie praktyki, wystarczy zastrzec w warunkach zamówienia wyrywkową kontrolę symulacji poziomu strat wykonaną przez niezależnych ekspertów. Gdyby wykonawca instalacji został obciążony odpowiednio wysoką karą po przekroczeniu zastrzeżonego poziomu takich strat, udałoby się wyeliminować masowe marnotrawstwo publicznych środków przez firmy działające na zasadzie „cena czyni cuda”. Firmy wykonywałyby prace rzetelnie, aby uniknąć kar.
Brak przestrzegania podstawowych warunków montażu systemów posadowienia.
Bardzo często monterzy nie znają maksymalnych wysuwów modułów poza ostatnią podporę systemową, czy dozwolonych rozstawów podpór pod szyną zastosowaną w tym konkretnym systemie. A także nie stosują zalecanych momentów obrotowych przy skręcaniu konstrukcji. Przez takie niedbalstwo pozbawiają inwestora prawa do późniejszej gwarancji na stelaż i co gorsze, stwarzają realne zagrożenie dla użytkowników. Skontrolowanie przestrzegania zalecanych parametrów jest zdecydowanie prostsze od analizy zacienienia, a kontrolę można przeprowadzić już w czasie montażu. I znów konkluzja -nałożenie sankcji finansowych na wykonawcę pozwoli wyeliminować większość takich fuszerek niedozwolonych praktyk.
2. NAJCZĘŚCIEJ POPEŁNIANE BŁĘDY PRZY WYBORZE KOMPONENTÓW
Planując instalację systemu fotowoltaicznego na własnym domu warto zastanowić się, jakie elementy są najważniejsze przy doborze komponentów. Wiele osób decydując się na mikroinstalację bierze pod uwagę tylko koszt początkowy instalacji, pomijając koszty eksploatacyjne. Koszty te mogą się różnić zasadniczo w zależności od wybranych przez nas komponentów. Stosowanie urządzeń niskojakościowych i posiadających słabe wsparcie producenta ma dużo niższy koszt początkowy, ale w czasie ich użytkowania pojawia się wiele kosztów ukrytych. Mogą to być koszty związane z obsługą wymiany uszkodzonego komponentu, wyższe koszty obsługi wadliwego sprzętu (częstsze przeglądy serwisowe), koszty uszkodzeń innych urządzeń w systemie, nie wspominając już o niższym uzysku z wadliwie działającego systemu.
Dlatego przy doborze urządzeń warto jednak zwrócić uwagę na jakość oferowanego sprzętu. Dla modułów najważniejsze parametry to długość gwarancji oraz gwarancji na produkcję, spełnienie norm i certyfikacja, wsparcie techniczne na terenie polski, czas reakcji w przypadku awarii oraz ich wydajność, która ma niewiele wspólnego ze sprawnością. Wydajność modułów podaje nie producent, ale jednostki badawcze. Kolejna sprawa to dobór falownika – błędnie działający falownik to najczęściej niedziałająca cała instalacja fotowoltaiczna, dlatego tak istotne jest wybranie wysokojakościowego falownika, z profesjonalną obsługą i wsparciem technicznym producenta. Jest to element bardzo często pomijany przy doborze sprzętu. Ważny aspekt to normy i dopuszczenia, ważne aby sprzęt posiadał wszystkie potrzebne dokumenty, o które poprosi nas zakład energetyczny w momencie próby przyłączenia systemu do sieci.
Stosowanie niskojakościowych komponentów to dodatkowy koszt, który pojawia się w czasie funkcjonowania systemu, ale także niższy uzysk z systemu fotowoltaicznego. W tym aspekcie to wybór falownika jest najważniejszy. Warto zdecydować się na falowniki nowoczesne, posiadające dodatkowe funkcje, między innymi takie, które mogą pomóc zredukować ewentualne straty spowodowane zacienieniem, wbudowany monitoring ułatwiający obsługę oraz wykrywanie ewentualnych błędów. Dzisiejsze rozwiązania mikrofalowników czy optymalizatorów mocy (MLPE) zwiększają znacząco funkcjonalność systemu zarówno dla właściciela jak i dla instalatora.
3. CZY MOŻNA ZABEZPIECZYĆ SIĘ PRZED BŁĘDAMI W INSTALACJI FOTOWOLTAICZNEJ ?
Odpowiedź jest pozytywna, ponieważ obecny poziom techniki pozwala uniezależnić się od części błędów popełnionych przy budowie instalacji fotowoltaicznej.
3.1 Zastosowanie falowników Huawei z częściową optymalizacją (modułów zacienionych) lub optymalizacją pracy każdego modułu pracującego w instalacji powoduje, że instalacja staje się niezależna od:
- częściowego zacienienia modułów,
- ułożenia modułów pod różnymi kątami lub w różnych kierunkach,
- gorszej pracy jednego lub kilku modułów (nie blokują pracy pozostałych modułów w łańcuchu),
- pracochłonnego serwisu (można zdalnie zdiagnozować, który moduł gorzej pracuje),
Ponadto system od razu wykrywa i lokalizuje przyczynę trudnego do zdiagnozowania w innych systemach spadku produkcji energii. Umożliwia to funkcja alarmowania w przypadku przekroczenia zadanego odchylenia produkcji energii przez dowolny moduł w odniesieniu do średniej wartości produkcji energii innych modułów. Dużą przewagą rozwiązania Huawei nad konkurencją jest funkcja elektronicznego wyłączenia optymalizatora w przypadku problemów z pracą lub uszkodzenia optymalizatora. Funkcja ta sprawia, że instalacja nie zostaje „zatrzymana” jak miałoby to miejsce w przypadku optymalizacji konkurencji.
System Huawei posiada niespotykaną u innych producentów długość gwarancji – do 25 lat, co pokrywa się z zakładanym czasem funkcjonowania instalacji.
Dodatkowo falowniki Huawei posiadają wbudowane ograniczniki przepięć strony AC i DC, co znacząco poprawia bezpieczeństwo instalacji w przypadku wszechobecnych przepięć.
3.2 Sporządzenie protokołu pomiarowego, zgodnie z normą IEC 62446:2009, pozwala na sprawdzenie poprawności wykonania instalacji fotowoltaicznej po stronie DC i AC . Protokół taki pokazuje inwestorowi, że instalacja została wykonana i pracuje poprawnie, a instalatora zabezpiecza przed zarzutem złego wykonania instalacji w przypadku późniejszego uszkodzenia spowodowanego zewnętrznymi czynnikami.
PV150 Solar Installation Test Kit umożliwia wykonanie wszystkich wymaganych pomiarów, ich wydruk I archiwizację.
Więcej o miernikach do instalacji fotowoltaicznych: http://emiter.net.pl/fotowoltaika/producent-seaward.html

Słońce jest ogromnym źródłem pierwotnej energii nieustannie biorącej udział w procesach zachodzących na Ziemi. To dzięki niej wieją wiatry, cyrkulują prądy morskie, wzrastają rośliny. To właśnie energia Słońca zmagazynowana przez miliony lat w wiązaniach organicznych mogła być odzyskiwana w procesie spalania paliw kopalnych. Dostęp do jej skoncentrowanych zasobów umożliwił rozwój przemysłowy i przełom naukowy XX wieku.
Wyzwaniem świata XXI wieku jest podkreślenie świadomości energetycznego bilansu. Już dziś jesteśmy w stanie pozyskiwać energię ze źródeł o niemal nieskończonej perspektywie odnawialności lub trwałości. Te atrybuty czynią z nich długofalowo najbardziej opłacalne rozwiązanie. Jak to możliwe? Odpowiedź ukryta jest w trzech słowach: niezależność, dostępność i równowaga. Niezależność – zasoby energii odnawialnej (alternatywnej) nie mogą być sztucznie ograniczone, a technologia jej uzyskiwania musi być coraz tańsza i wydajniejsza. Dostępność – energia może być pozyskiwana praktycznie w każdym miejscu na Ziemi, poza tym jest jej znacznie więcej niż dzisiaj potrzebujemy. Równowaga – energetyka odnawialna opiera się na krótkoterminowym bilansie energetycznym, proporcjonalna ilość energii dociera do naszej planety, jest przetwarzana i wykorzystywana – w związku z tym lokalna i globalna gospodarka naturalna utrzymywana jest w równowadze.
Fotowoltaika (konwersja fotowoltaiczna) to rozwiązanie wygodne, trwałe i przewidywalne. W generatorze fotowoltaicznym nie występują ruchome, ulegające zniszczeniu części, energia przetwarzana jest w procesach kwantowych, których sprawność ulega bardzo niewielkim zmianom w czasie. Podczas pracy generator fotowoltaiczny nie emituje szkodliwego promieniowania, hałasu i nie wymaga obsługi. Lokalnie wyprodukowana energia nie jest obciążona kosztami przesyłu i podlega lepszemu wykorzystaniu przyczyniając się do ogólnej poprawy wydajności sieci elektroenergetycznej. Fotowoltaika to także prostota kalkulacji wyprodukowanej energii i skalowalność z zachowaniem praktycznie liniowej proporcji ceny do wielkości generatora pv. Jest to także jedyne rozwiązanie wykazujące porównywalne i wysokie sprawności zarówno dla bardzo małych jak i bardzo dużych instalacji oraz techniczną prostotę rozbudowy.

Kalkulacja kosztów uzależniona jest od powierzchni, na której będą montowane panele fotowoltaiczne. Prosimy o wybranie z menu po lewej stronie odpowiedniej opcji: montaż na dachu skośnym, na dachu płaskim lub na gruncie, a następnie szczegółowe wypełnienie formularza i przesłanie go do nas.

rys. 1

rys. 2

rys. 1

rys. 2

rys. 1
Dla produktów Lorenz dostępne jest narzędzie pomocnicze: planer konstrukcji. Planer konstrukcji bazującej na gotowych zestawach niemieckiej firmy Lorenz pozwala na szybkie potwierdzenie poprawności złożonego zamówienia. Wystarczy określić dostępną powierzchnię połaci dachowej, rozmieścić na niej moduły fotowoltaiczne i przesłać nam numery artykułów. Wszystkie moduły znajdujące się w naszej ofercie są kompatybilne z rozwiązaniami Lorenz na dachy pokryte dachówką ceramiczną z więźbą krokwiową oraz na dachy pokryte blachą trapezową o nachyleniu do 25 stopni. Konstrukcje Lorenz bez dodatkowego potwierdzenia mogą być instalowane z ograniczeniem do: III strefy śniegowej i II strefy wiatrowej, a po dodatkowej konsultacji z naszym działem technicznym nawet do IV strefy śniegowej i III strefy wiatrowej.

![]() |
SOLO: Rozwiązanie na dachy pokryte dachówką ceramiczną (więźba krokwiowa) |
![]() |
TRAPEO: Rozwiązanie na dachy pokryte blachą trapezową. |

Zasadniczym aktem prawnym regulującym sektor odnawialnych źródeł energii w Polsce jest ustawa Prawo energetyczne z dnia 10 IV 1997 roku (z późniejszymi zmianami). Zawarte są w niej między innymi podstawowe definicje poszczególnych źródeł, wymagania dot. generacji i dystrybucji energii, procedury przyłączania do sieci elektroenergetycznej, a także modele wsparcia dla różnych kategorii generacji i odbioru.
Od 1 października 2005 roku w Polsce istnieje ilościowy mechanizm wsparcia energetyki odnawialnej oparty o emisję i obrót świadectw pochodzenia energii zwanych potocznie zielonymi certyfikatami. Są to zbywalne papiery wartościowe przyznawane na podstawie decyzji prezesa URE właścicielom źródeł (min. solarnych) na jednostkę wygenerowanej w nich energii (kWh, MWh). Stanowią one wartość dodaną do wartość samej energii i mogą zostać sprzedane za pośrednictwem Towarowej Giełdy Energetycznej dowolnemu podmiotowi. Rynkowa idea mechanizmu wsparcia zakłada, że odbiorcami świadectw pochodzenia będą zakłady energetyczne obciążone kosztami emisji CO2. Zakłady te zobowiązane są wykupić lub otrzymać (wyprodukować) odpowiednią ilość (wolumen) zielonych certyfikatów lub uiścić opłatę zastępczą ustalaną przez URE. W ten sposób rozwój energetyki odnawialnej w naszym kraju miał być ewolucyjny i dopasowany do europejskich wymogów ograniczenia emisji gazów cieplarnianych. Przeciwnicy tego modelu wykazują jednak jego liczne wady, z których najpoważniejsze to: faworyzacja wielkich inwestycji, nierównomierny przepływ środków, powstawanie grup interesów wpływających na wartość certyfikatów, uprzywilejowana pozycja współspalania, niewielki przyrost nowej infrastruktury energetycznej, słaba dywersyfikacja i decentralizacja źródeł.
Planowe zmiany:
W 2009 roku Rada Europejska wyznaczyła w dyrektywie 2009/28/WE nowe cele w zakresie unijnej polityki energetycznej. Polska powinna do roku 2020 osiągnąć 15% udział odnawialnych źródeł w ogólnym zużyciu energii brutto, przy czym dążyć do tego poprzez zróżnicowane wsparcie poszczególnych źródeł. Dyrektywa wskazuje konieczność wprowadzenia uproszczeń w prawie energetycznym, skrócenia procedur administracyjnych, wprowadzenia ułatwień dla mikrogeneracji i ograniczenie monopoli. W kontekście dyrektywy przygotowano i dyskutowano kilka projektów ustawy o Odnawialnych źródłach energii, wszystkie propozycje stawiają akcenty na rozwiązaniach stwarzających dogodne warunki do inwestowania w energetykę odnawialną – bezpośredni system dopłat do zielonej energii oraz możliwie prosty i krótkotrwały proces administracyjny. Energetyka słoneczna znajduje się na uprzywilejowanej pozycji dostarczając rozwiązań idealnych dla mikrogeneracji , dla której przewidziano najwyższe wsparcie.
Poniżej prezentujemy wybrane realizacje:
Instalacja PV:
– moc: 40 KWp
– montaż: dach płaski pokryty papą
– lokalizacja: Urząd Miasta i Gminy Nowa Dęba
Zakres:
– pomoc techniczna
– dostarczenie produktów:
dwa falowniki Zeversolar: TLC17K oraz TLC20K; moduły: Q-Cells Q.PEAK-G4.1 305W; część modułów na których okresowo pojawia się zacienienie wyposażone w optymalizację TIGO TS4-O
Instalacja PV:
– moc: 21 kWp
– montaż: dach skośny pokryty dachówką cementową
– lokalizacja: Nadleśnictwo Opoczno
Zakres:
– pomoc techniczna
– dostarczenie produktów:
dwa falowniki SolarEdge SE10k; moduły: Astroenergy CHSM6610P270/VIOLIN; każdy moduł wyposażony w optymalizator
Instalacja PV:
– moc: 10 KWp
– montaż: dach skośny, blachodachówka, podkonstrukcja Fe/Al dla blachodachówki na profilach Al 45
– lokalizacja: ok. Kalisza
Zakres:
– przygotowanie projektu
– pomoc techniczna
– dostarczenie produktów:
panele PV Aleo, falownik SMA, gniazda i wtyki MC4, kabel solarny Prysmian, zabezpieczenia, podkonstrukcja dla blachodachówki
Instalacja PV:
– moc: 2,85 KWp
– montaż: dach skośny
– lokalizacja: Bielsko-Biała
Zakres:
– pomoc techniczna
– dostarczenie produktów:
Panele Aleo Solar Mono S79, Falownik SMA Sunny Boy 2,5, konstrukcja Lorenz
Instalacja PV:
– moc: 2,5 KWp
– montaż: dach skośny
– lokalizacja: Gliwice
Zakres:
– przygotowanie projektu
Instalacja PV:
– moc: 13,77 kWp
– montaż: montaż dach skośny pokryty blachą trapezową, podkonstrukcja dedykowana do poszycia dachu : mostki trapezowe
– lokalizacja: Kalisz
Zakres:
– przygotowanie projektu
– pomoc techniczna
– dostarczenie produktów:
Panele Aleo, falownik SMA, gniazda wtyki MC4, kabel solarny Prysmian, zabezpieczenia : Ograniczniki przepięć DC Phoenix Contact, podkonstrukcja dla blachy trapezowej
Instalacja PV:
– moc: 29,7 kWp
– montaż: montaż dach skośny pokryty blachą trapezową, podkonstrukcja dedykowana do
poszycia dachu : mostki trapezowe
– lokalizacja: Częstochowa
Zakres:
– przygotowanie projektu
– pomoc techniczna
– nadzór nad realizacją
– dostarczenie produktów:
2 falowniki Zeversolar (TLC20k oraz TLC 6000), panele Seraphim (SERIA SRP-6PB), gniazda wtyki MC4, kabel solarny Emiter, zabezpieczenia : Ograniczniki przepięć DC Phoenix Contact, podkonstrukcja dla blachy trapezowej
Instalacja PV:
– moc: ok. 6 kWp
– montaż: dach skośny, blachodachówka
– lokalizacja: okolie Obornik Wlkp
Zakres:
– przygotowanie projektu
– pomoc techniczna
– nadzór nad realizacją
– dostarczenie produktów:
2 falowniki Zeversolar (TLC20k oraz TLC 6000), panele Seraphim (SERIA SRP-6PB), gniazda wtyki MC4, kabel solarny Emiter, zabezpieczenia : Ograniczniki przepięć DC Phoenix Contact, podkonstrukcja dla blachy trapezowej
Falowniki ZeverSolar zamontowane na instalacjach w Polsce:
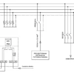
SYSTEM PV PRZYŁĄCZONY DO SIECI ELEKTROENERGETYCZNEJ
Energia może być wykorzytywana na własne potrzeby i odsprzedawana do sieci elektroenergetycznej.System taki wymaga podłączenia do sieci i stanowi rozwiązanie stosunkowo tanie i trwałe. Dobrze skonfigurowany system pv przyłączony do sieci jest w stanie obniżyć rachunki za prąd o około 40% rocznie
i zapewnić dochody ze sprzedaży jej nadwyżek do sieci.
1. generator złożony z modułów fotowoltaicznych
2. dedykowany falownik sieciowy
3. licznik energii elektrycznej
SYSTEM PV DO PODGRZEWANIA WODY UŻYTKOWEJ I WSPOMAGANIA C.O.
Wygenerowana energia elektryczna służy do podgrzania wody. System umożliwia bieżącą kontrolę temperatury, nie wymaga zewnętrznego zasilania, zabezpiecza układ przed przegrzaniem i umożliwia lokalną konsumpcję energii na poziomie >90%. Stanowi ciekawą alternatywę dla kolektorów termicznych, zapewniając niższą awaryjność, lepszą wydajność w okresie zimowym, niższe koszty montażu i ekploatacji, wolniejszy spadek sprawności.
1. generator złożony z modułów fotowoltaicznych
2. przetwornica DC/DC z grzałką
3. zbiornik magazynujący ciepłą wodę
SYSTEM PV Z FUNKCJĄ MAGAZYNOWANIA ENERGII
Energia może być skuteczniej wykorzystywana na własne potrzeby. System taki nadal pozostawia możliwość sprzedaży nadwyżek energii do sieci elektroenergetycznej i uzupełniania z niej ewentualnych niedoborów. Dzięki zastosowaniu baterii akumulatorów energia z generatora pv może być magazynowana i wykorzytywana w okresie niższego nasłonecznienia lub w nocy. Takie rozwiązania umożliwia zwiększenie lokalnej konsumpcji – tym samym obniżenie rachunków za prąd nawet o 90%.
FAQ
Jest to skrót od przymiotnika fotowoltaiczny/fotowoltaiczne/fotowoltaiczna. Czasami używany również w zastępstwie rzeczownika fotowoltaika. Przykłady: moduł pv – moduł fotowoltaiczny, ogniwa pv – ogniwa fotowoltaiczne.
Są to dwa różne urządzenia. Panel pv zamienia energię promieniowania słonecznego na energię elektryczną, kolektor słoneczny (termiczny) przekazuje energię promieniowania słonecznego w postaci ciepła do układu ogrzewania (np. podłogowego, centralnego, wody użytkowej).
Ogniwo stanowi cześć panelu pv (modułu), zwykle o zbyt niskim napięciu aby zasilać typowe odbiorniki energii elektrycznej. W krystaliczny panelach krzemowych ogniwa łatwo wyróżnić – są to płytki z elektrodami umieszczone między warstwami folii izolacyjnej, za przednią szybą panelu (zwykle kilkadziesiąt).
W Polce nie ustalono do tej pory jednolitego nazewnictwa. W angielskiej nomenklaturze technicznej stosuje się określenia pv module na pojedyncze urządzenie, a pv panel na jednolitą powierzchnię (taflę, połać) złożoną z jednego, kilku lub kilkudziesięciu urządzeń. W Polsce na ten moment stosuje się wymiennie nazewnictwo moduł pv i panel pv w stosunku do pojedynczego urządzenia.
Z pewnością nie są tak złe jak się, niektórym wydaje. Dość powiedzieć, że między najdalej wysuniętym na północ punktem Polski i najdalej wysuniętym na południe punktem Włoch występuje jedynie 35% różnica sumy dostępnej energii promieniowania słonecznego. Nieprawdziwe jest zatem stwierdzenie, że instalacje fotowoltaiczne na południu Europy produkują 2 lub 3 razy więcej energii niż w Polsce.
Tak. Państwo polskie za pośrednictwem operatora sieci dystrybucyjnej zobowiązane jest do odbioru energii elektrycznej, ze szczególnym priorytetem dla energii pochodzącej z odnawialnych źródeł. Jednak aby odbiór (odsprzedaż) był fizycznie możliwy energia musi odpowiadać standardom przesyłu, a instalacja ją produkująca spełniać warunki bezpieczeństwa wyznaczone przez Zakład Energetyczny.
Analiza rozwoju energetyki odnawialnej w innych krajach Europy pokazuje, że fotowoltaika jest rozwiązaniem szczególnie korzystnym dla tzw. lokalnej produkcji. Prostota instalowania systemów fotowoltaicznych na budynkach mieszkaniowych i przemysłowych zapewnia lokalne ograniczenie zapotrzebowania na energię. Koniecznym bodźcem dla tego rodzaju generacji jest stabilny w czasie system wsparcia finansowego.
Zgodnie z interpretacją Ministerstwa Gospodarki i analizą techniczną systemów przyłączonych do sieci o ilość energii wprowadzonej do sieci będzie właściwie decydował producent wraz z projektantem. Pomiar energii ma odbywać się w dwóch miejscach “na zaciskach instalacji pv i w miejscu przyłączenia” (sic!). W związku z tym jeśli przed pomiarem w miejscu przyłączenia system pv nie będzie zasilał innych odbiorników 100% energii zostanie formalnie oddane (dosł. naliczone) do sieci (pomijając straty na okablowaniu). Zapis jest jednak mało ścisły i błędnie rozwijany w dalszej części odpowiedzi MG. Trudno zatem uznać go za wiążący przed wprowadzeniem zmian w prawie energetyczny.
Około 6,5-8 m2 da 1 kilowat szczytowej mocy nominalnej typowych modułów fotowoltaicznych. Zagadnienie jest rozwinięte w artykule “Trochę techniki”.
Zależy w porównaniu do czego? Krzemowe ogniwa fotowoltaiczne mają sprawność przy konwersji bezpośredniej na poziomie 15-16 %, tymczasem zliczając straty na przemiany pośrednie typowa Polska elektrownia węglowa ma sprawność na poziomie 20-30%, jądrowa na poziomie 30%, a wiatrowa na poziomie 35%. Najwyższą sprawność netto mają nowoczesne elektrownie wodne (60-80%) jednak ich stosowanie jest ograniczone geograficznie znacznie bardziej niż fotowoltaiki.
Jeśli nie znaleźliście Państwo odpowiedzi na nurtujące Was pytania, prosimy o kontakt za pomocą poniższego formularza.
Więcej zagadnień (pytań i odpowiedzi) odnośnie produktów Divus znajdziecie Państwo tutaj








































